フリーストップ型
キャップバランサー
蓋を任意の角度で静止させることができます。
フリーストップ型キャップバランサーとは
フリーストップ機構により蓋を任意の角度で静止させることができ、より安全に開閉作業ができます。
一般型キャップバランサーとの違い
-
蓋を閉めた時に、蓋を浮かせることなく、任意の角度で静止させることができます。
※蓋の重心位置が高い場合には静止する角度範囲が小さくなることがあります。 - 横方向の強度がアップし、蓋の横ズレを軽減できます。
-
バネケース内を防水化しています。
- バネが錆びないので、水洗いも可能
- バネ擦れで発生するゴミ(グリース)の混入を防げる
トルク変化
リンク機構により蓋の開度に合わせてバネのトルクが曲線的に変化します。
広範囲の開度位置で蓋のトルクとバネのトルクがバランスして、蓋を静止させることができます。
フリーストップ型のキャップバランサーは一般型と比較してより正確なトルク計算が必要です。
形式の選定については、お気軽にお問い合わせください。
導入実績
CASE
に導入実績があります。
既設設備にも新規設備に
も実装可能です。
- 医薬品製造設備
- 化粧品製造設備
- 食品製造設備
- 遠心分離機
- フィルターハウジング
- 石油化学設備
CASE 01
新設設備ワクチンメーカーの
攪拌装置に取り付け
フリーストップ型は任意の角度で蓋が止まる為、「女性従業員の方でも簡単に重たい蓋を開閉できる。」とのお声をいただきました。また、フリーストップ型は全て防水処理がされているため、キャップバランサー内で使用しているグリース等の混入の心配はございません。
CASE 02
既設設備蓋の開閉回数が多い
化粧品メーカーのタンクに
タンクの蓋の開閉回数が多く、1日あたり数十回の開閉を行っている化粧品メーカー様から「長期間・高頻度で使用しても、安定して使用できる。」とキャップバランサーの高い耐久力にも満足いただいております。また、バネの交換も容易にできるため、さらなる長期間の使用が可能です。
製品情報
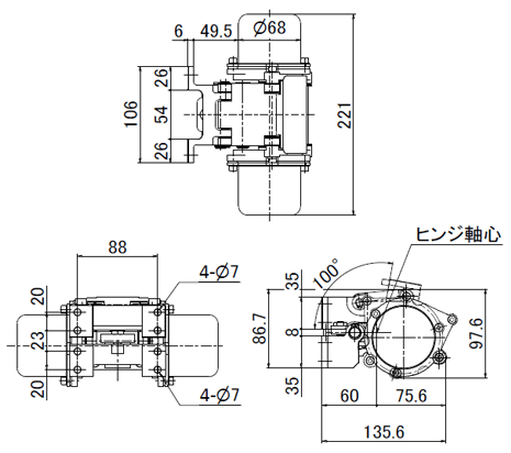
PRODUCTフリーストップ型キャップバランサー<バネ付き蝶番(ヒンジ)>
ご使用に適した蓋のトルク範囲に応じて、大きく4つの型に分かれています。
フリーストップ型キャップバランサー TT型
溶接プレート付
TT型キャップバランサーを溶接により取り付ける場合は、取り外し可能な溶接プレートもご利用いただけます。
製品型式
使用に適した蓋のトルク範囲
N.m(kgf.mm)
製品重量(kg)
材質
TT-2
16-20(1630-2040)
4.2※1
SUS304およびSCS13
(バネ、軸受、シール部材を除く)
TT-2+
20-24(2040-2450)
4.3※1
同上
TT-3
24-29(2450-2960)
4.3※1
同上
TT-3+
29-35(2960-3570)※2
4.4※1
同上
TT-4
35-42(3570-4280)※2
4.4※1
同上
- ※1 溶接プレート付の場合:+1.0kg
- ※2 使用に適したトルク範囲を超える蓋に使用した場合、バネが傷む恐れがあります。
フリーストップ型キャップバランサー TS型
製品型式
使用に適した蓋のトルク範囲
N.m(kgf.mm)
製品重量(kg)
材質
TS-6
37-50(3770-5100)
10.9
SUS304およびSCS13
(バネ、軸受、シール部材を除く)
TS-8
50-75(5100-7650)
11.0
同上
TS-13
75-110(7650-11200)
11.3
同上
TS-18
110-150(11200-15300)
11.8
同上
フリーストップ型キャップバランサー
TM型
製品型式
使用に適した蓋のトルク範囲
N.m(kgf.mm)
製品重量(kg)
材質
TM-18
130-155(13300-15800)
15.6
SUS304およびSCS13
(バネ、軸受、シール部材を除く)
TM-22
155-190(15800-19400)
16.4
同上
フリーストップ型キャップバランサー TL型
製品型式
使用に適した蓋のトルク範囲
N.m(kgf.mm)
製品重量(kg)
材質
TL-29
190-240(19400-24500)
26.0
SUS304およびSCS13
(バネ、軸受、シール部材を除く)
TL-35
240-290(24500-29600)
26.6
同上
TL-42
290-340(29600-34700)
28.0
同上
フリーストップ型キャップバランサーについて
よくあるご質問
FAQQ 製品の型式選定はどのように依頼すればいいですか?
具体的な図面(マンホールの詳細図、タンクの全体図)をお送りいただければ、弊社が選定してご報告いたします。
Q キャップバランサーの調整方法について教えてください。
キャップバランサーには、バネ調整と平行調整の機構がありますので、詳しくは取扱説明書をご参照ください。資料請求ページから取扱説明書(PDF)をご請求いただくことができます。
Q メンテナンス周期の目安はありますか?
開閉操作5000回を目安に開閉時に異音が発生する場合は、バネと本体の接触面のグリスアップを行ってください。
お問い合わせ・資料請求
お電話でのお問い合わせ
お使いの設備に取付できるか回答しますので、お問い合わせください。
お探しのヒンジをご案内いたしますので、お問い合わせください。
実装可能な製品をご提案いたしますので、ご相談ください。
キャップバランサーが