CAP BALANCER
Free Stop Type
allows the lid to rest at any desired angle.
What is CAP BALANCER Free Stop Type?
it can hold the lid stationary at any angle by a free stop mechanism.
Safer opening and closing operations are possible.
Difference from Spring Assisted Type
-
The lid can be held stationary at any desired angle.
(*If the center of gravity of the lid is high, the range of angles at which the lid can be held stationary may be smaller.) - Lateral strength has been increased to reduce the risk of the lid slipping sideways.
-
The inside of the spring case is waterproofed.
- The spring does not rust, so it can be washed with water.
- Dust contamination caused by spring rubbing can be prevented.
Torque change
A link mechanism causes the torque of the spring to vary in a curvilinear manner in accordance with the opening degree of the lid.
The torque of the lid and spring is balanced over a wide range of angles to keep the lid stationary.
Compared to Spring Assisted Type, Free Stop Type requires more accurate torque calculation.
Please feel free to contact us for assistance in selecting the type.
Introduction results
Can be installed in both existing and new facilities.
- Pharmaceutical manufacturing facilities
- Cosmetics manufacturing facilities
- Food Manufacturing Equipment
- Centrifuge
- Filter housing
- Petroleum storage containers
CASE 01
New equipmentAttached to vaccine manufacturer's agitator
Free Stop Type stops the lid at any angle, so "even a woman can open and close the heavy lid easily. The free stop type is waterproofed.In addition, all free-stop types are waterproofed, so there is no worry about contamination by grease used in the cap balancer.
CASE 02
Existing equipmentInstalled in a tank for a cosmetics manufacturer with a lid that opens and closes frequently.
A cosmetics manufacturer that opens and closes the tank lid dozens of times per day has expressed satisfaction with the high durability of the product, saying, "It can be used stably even when used for long periods of time and at high frequency. The high durability of the product is also satisfactory. In addition, since the spring can be easily replaced, the product can be used for an even longer period of time.
Products
CAP BALANCER
Free Stop Type<Spring-assisted hinge>
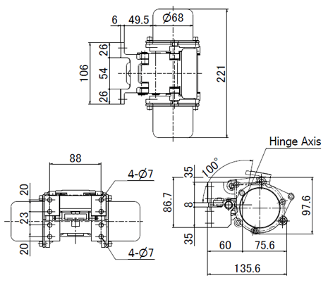
Four types are available depending on the torque range of the lid suitable for use.
-
TT type
for smaller lids
-
TS type
for regular lids
-
TM type
for slightly larger lids
-
TL type
for larger lids
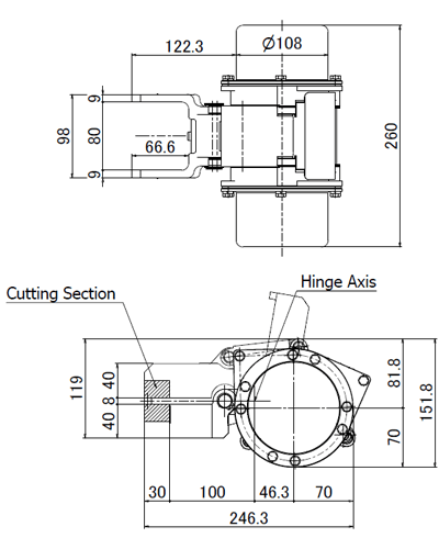
CAP BALANCER Free Stop Type TT type
With welding plate
Removable welding plates are also available for welding TT type.
Product type
Torque range of lids suitable for use
N.m(kgf.mm)
Product weight(kg)
material properties
TT-2
16-20(1630-2040)
4.2※1
SUS304andSCS13
(excluding springs, bearings and sealing members)
TT-2+
20-24(2040-2450)
4.3※1
same as above
TT-3
24-29(2450-2960)
4.3※1
same as above
TT-3+
29-35(2960-3570)※2
4.4※1
same as above
TT-4
35-42(3570-4280)※2
4.4※1
same as above
- *1 With welding plate: +1.0 kg
- *2 The spring may be damaged if used on a lid that exceeds the torque range suitable for use.
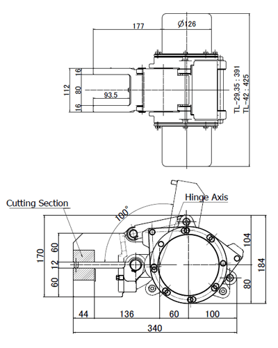
CAP BALANCER Free Stop Type TS type
Product type
Torque range of lids suitable for use
N.m(kgf.mm)
Product weight(kg)
material properties
TS-6
37-50(3770-5100)
10.9
SUS304andSCS13
(excluding springs, bearings and sealing members)
TS-8
50-75(5100-7650)
11.0
same as above
TS-13
75-110(7650-11200)
11.34
same as above
TS-18
110-150(11200-15300)
11.8
same as above
CAP BALANCER Free Stop Type
TM type
Product type
Torque range of lids suitable for use
N.m(kgf.mm)
Product weight(kg)
material properties
TM-18
130-155(13300-15800)
15.6
SUS304andSCS13
(excluding springs, bearings and sealing members)
TM-22
155-190(15800-19400)
16.4
same as above
CAP BALANCER Free Stop Type TL type
Product type
Torque range of lids suitable for use
N.m(kgf.mm)
Product weight(kg)
material properties
TL-29
190-240(19400-24500)
26.0
SUS304andSCS13
(excluding springs, bearings and sealing members)
TL-35
240-290(24500-29600)
26.6
same as above
TL-42
290-340(29600-34700)
28.0
same as above
Selection guide
If you want to know if it can be installed on existing or new equipment, please see here.
Installation Guide
Describes how to install CAP BALANCER and Handy Lock System on equipment.
About CAP BALANCER Free Stop Type
Frequently Asked Questions
FAQQ How do I request product model selection?
If you send us specific drawings (detailed drawing of manhole, overall drawing of tank), we will make the selection and report back to you.
Q How do I adjust CAP BALANCER?
CAP BALANCER has a spring adjustment and parallel adjustment mechanism, please refer to the instruction manual for details. You can request the instruction manual (PDF) from the "Request for Documents" page.
Q Is there a guideline for the maintenance cycle?
If abnormal noise occurs when opening and closing the unit after about 5,000 operations, please grease up the contact surface between the spring and the body.
Contact us
Contact us. We will check if CAP BALANCER installed for your equipment
Contact us. We will guide you to the hinge you are looking for.
contact us. We'll suggest products that can be mounted.
CAP BALANCER solves the 