CAP BALANCER
Spring Assisted Type
What is CAP BALANCER Spring Assisted Type?
Spring-assisted hinge for opening and closing heavy lids and manholes of pressure vessels, reaction vessels, stirring tanks, and various tanks lightly and safely.
Torque change
The torque of the spring assists the torque of the lid, so even heavy lids can be opened and closed easily.
Introduction results
Can be installed in both existing and new equipment.
- Pharmaceutical manufacturing equipment
- Cosmetics manufacturing equipment
- Food Manufacturing Equipment
- Centrifuge
- Filter housing
- Petrochemical equipment
CASE 01
New equipmentInstalled in stirring device of food manufacturer
Using the waterproof type was efficient because "the entire stirring device could be cleaned with the entire CAP BALANCER," even when the entire stirring device was cleaned. This is the feedback we received from our customers.
For the waterproof type, there is no problem even if the entire equipment is cleaned with CAP BALANCER.
CASE 02
Existing equipmentInstalled on lids over 100 kg for chemical manufacturers
With the CAP BALANCER, even lids weighing 100 kg or more can be easily opened and closed with one hand. We have received comments such as, "Even heavy lids can be safely handled by one person." The cap CAP BALANCER be used with a wide variety of lids.
Products
CAP BALANCER
Spring Assisted Type<Spring-assisted hinge>
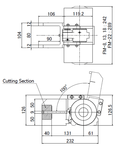
Four types are available depending on the torque range of the lid suitable for use.
CAP BALANCER Spring Assisted Type FM type
Product model
Torque range of lids suitable for use
N.m(kgf.mm)
Product weight(kg)
materials
FM-8
60-90(6100-9200)
10.3
SUS304 and SCS13
(excluding springs and bush)
FM-13
90-140(9200-14300)
10.6
same as above
FM-18
140-170(14300-17300)
11.2
same as above
FM-22
170-210(17300-21400)
12.0
same as above
- The above torque range is a guideline for model selection. The optimum model varies depending on the characteristics of the lid (center of gravity height, etc.) and the operability required.
Product model
Torque range of lids suitable for use
N.m(kgf.mm)
Product weight(kg)
materials
FM-8P
60-90(6100-9200)
11.4
SUS304 and SCS13
(excluding springs, bush and sealing Parts)
FM-13P
90-140(9200-14300)
11.7
same as above
FM-18P
140-170(14300-17300)
12.3
same as above
FM-22P
170-210(17300-21400)
13.1
same as above
- The above torque range is a guideline for model selection. The optimum model varies depending on the characteristics of the lid (center of gravity height, etc.) and the operability required.
CAP BALANCER Spring Assisted Type FL type
Product model
Torque range of lids suitable for use
N.m(kgf.mm)
Product weight(kg)
materials
FL-29
210-270(21400-27500)
20.9
SUS304 and SCS13
(excluding springs and bush)
FL-35
270-325(27500-33100)
21.3
same as above
FL-42
325-400(33100-40800)
23.0
same as above
- The above torque range is a guideline for model selection. The optimum model varies depending on the characteristics of the lid (center of gravity height, etc.) and the operability required.
Product model
Torque range of lids suitable for use
N.m(kgf.mm)
Product weight(kg)
materials
FL-29P
210-270(21400-27500)
22.3
SUS304 and SCS13
(excluding springs, bush and sealing Parts)
FL-35P
270-325(27500-33100)
22.7
same as above
FL-42P
325-400(33100-40800)
24.3
same as above
- The above torque range is a guideline for model selection. The optimum model varies depending on the characteristics of the lid (center of gravity height, etc.) and the operability required.
CAP BALANCER Spring Assisted Type BG type
Product model
Torque range of lids suitable for use
N.m(kgf.mm)
Product weight(kg)
materials
BG-60
400-600(40800-61200)
48.0
SUS304 and SCS13
(excluding springs and bush)
BG-75
600-730(61200-74400)
49.0
same as above
- The above torque range is a guideline for model selection. The optimum model varies depending on the characteristics of the lid (center of gravity height, etc.) and the operability required.
Product model
Torque range of lids suitable for use
N.m(kgf.mm)
Product weight(kg)
materials
BG-60P
400-600(40800-61200)
47.0
SUS304 and SCS13
(excluding springs, bush and sealing Parts)
BG-75P
600-730(61200-74400)
49.0
same as above
- The above torque range is a guideline for model selection. The optimum model varies depending on the characteristics of the lid (center of gravity height, etc.) and the operability required.
CAP BALANCER Spring Assisted Type BX type
Product model
Torque range of lids suitable for use
N.m(kgf.mm)
Product weight(kg)
materials
BX-100
730-1020(74400-104000)
68.0
SUS304 and SCS13
(excluding springs and bush)
BX-125
1020-1200(104000-122000)
70.0
same as above
- The above torque range is a guideline for model selection. The optimum model varies depending on the characteristics of the lid (center of gravity height, etc.) and the operability required.
Cases requiring waterproof type
Frequent cleaning or use in an environment where corrosive gases are generated may cause the internal spring to rot and break.
If used in such an environment, choose a waterproof type or a free stop type CAP BALANCER. All free stop type CAP BALANCERS are waterproof.
*The waterproof type's dustproof and waterproof performance is equivalent to IP67.
Waterproof type CAP BALANCER
FM-8P/FM-13P/FM-18P/FM-22P/FL-29P/FL-35P/FL-42P/BG-60P/BG-75P
Difference from free-stop type
CAP BALANCER Spring Assisted Type cannot hold the lid stationary at any desired angle. When opening and closing the lid, please put your hand on the lid handle.
If you want to keep the lid stationary at a desirable angle, consider a CAP BALANCER Free Stop Type.
Selection guide
If you want to know if it can be installed on existing or new equipment, please see here.
Installation Guide
Describes how to install CAP BALANCER and Handy Lock System on equipment.
About CAP BALANCER
Spring Assisted Type
Frequently Asked Questions
FAQQ Can the entire CAP BALANCER be cleaned?
The "waterproof type" is SP67 dustproof and waterproof, so it can be cleaned. However, when using special chemicals, please make sure that the CAP BALANCER body and sealing materials are resistant.
Q We do not know which model to choose.
Please leave the selection of the model to us. Please provide us with information on the equipment to be installed.
Q How many times can it be opened and closed?
Please consider replacing the spring after 10,000 open/close cycles for the BX and BG types, and after 20,000 open/close cycles for the other types.
Contact us
Contact us. We will check if CAP BALANCER installed for your equipment
Contact us. We will guide you to the hinge you are looking for.
contact us. We'll suggest products that can be mounted.
CAP BALANCER solves the 